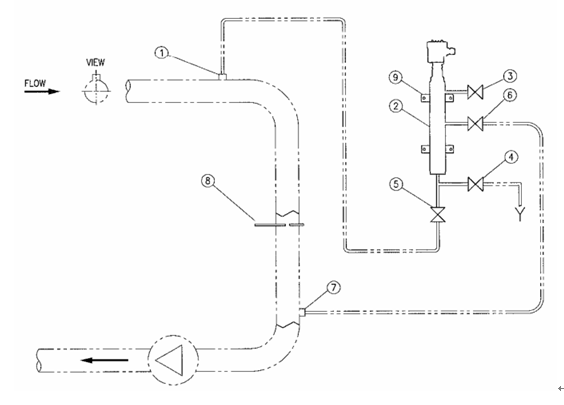
水中油
水中油,油中水在船舶海洋行业是不可避免的测量,便于良好的完成润滑,冷却,泄露等情况的判定,来达到最好的工作状态。我们提供电容式的管路测量系统,在线传感器测量,并精确分析出各种油品的类别和含量,也能提供一体式模块直接安装于管路。
主要应用:
冷却水油泄露测量
热水井测量
柴油机滑油水测量
TOPSIDE 系统冷却水测量
Scrubber 洗涤塔水质测量
拍舷水的15PPM 测量


氮气瓶组
1系统组成:
氮气储气瓶、缓冲瓶、瓶头阀(手动开启型)、单向阀、安全阀、集气管、减压阀、充气阀、分流管、减压控制箱、高压管件、低压管件、压力表、压力开关等零部件组成。
1 System composition:
storage Nitrogen bottles , buffer bottle、bottle head valve (manual opening type), check valve, safety valve, filling valve, gas collecting pipe, pressure reducing valve, shunt pipe, pressure reducing control box, high pressure pipe fittings, low pressure pipe fittings, pressure gauge, pressure alarm,etc. Components
2瓶组安装形式:
2.1散装/整体瓶架
2.2集装箱是瓶组
2 Bottle group installation form:
2.1Single/Bottle Rack
2.2 The container bottle packating
3系统应用船舶类型:
3.1 LNG/LPG ,化学品、油轮
3.2 其他需要使用惰性或氮气系统的船舶。
3 System application ship type:
3.1 LNG/LPG ,chemicals, oil tankers
3.2 Other ships that require inert or nitrogen systems.
4系统应用场所
4.1 货舱惰性气体补偿
4.2货舱设备气体吹扫
4.3货舱惰性气体管路密型试验
4.4其他需要使用安全惰性气体的场所
4 System application place:
4.1 Cargo hold inert gas compensation
4.2 Gas purge of cargo equipment
4.3 Cargo hold inert gas pipeline tightness test
4.4 Other places that need to use safe inert gas
A应用/Application
1. 轴承、曲轴、缸体等发动机配件及五金零配件
Bearing, crankshaft, cylinder and other engine parts and hardware spare parts
2. PCB线路板/PCB board
3. 减速机、减震器、钣金外壳,滤器滤芯
Reducer, shock absorber, sheet metal shell,filter element
4. 阀门/Valve
5. 电子零部件/Electronic components
6. 电子开关/Electronic switch
7. 不锈钢刀具餐具/Stainless steel cutlery
8. 电子通讯产品
Electronic communication products
9. 其他复杂精密部件或设备
Other complex and precise components or equipment
B主要特点/features
1. 时间设定/Time setting
2. 温度设定/Temperature setting
3. 全不锈钢材质/All stainless steel
4. 清洗槽采用冲压成形,无焊缝
The cleaning tank is formed by stamping,
5. 进口的高质量配件
components are imported high-quality accessories
6. 配有不锈钢清洗盖、不锈钢清洗篮、排水阀门
Equipped with stainless steel cleaning cover, stainless steel cleaning basket, drainage valve.
7. 结构紧凑、功率强劲、清洗快速有效
Compact structure, strong power, fast and effective cleaning.
8. 安全保护:过流保护、短路保护、过热保护等功能
Safety protection: over current protection, short circuit protection, overheating protection and other functions.
CopyRight ©2020 香港990990藏宝阁 All rights reserved
地址:上海市浦东新区浙桥路289号碧云公馆2座1405室 邮编:201206 电话:+86 6168 2673 传真:+86 021 61682675